Published:2011/9/6 23:34:00 Author:chopper | Keyword: timing, battery-conserving switch | From:SeekIC

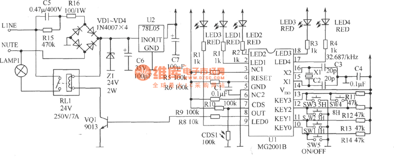
Door lamp isusually controlled by hands,which may make some waste of electrical energy and inconvenience if someone forgets to turn on or turn off.If it can increase light control and timing functions,it can achieve automation and energy-saving effect.The ready-made light-controlled timing ICMG2001B is a cheap 1h-36h,nine-gear optional timing,delay IC,and its peripheral circuit is simple ,and it is with driver of indicator light as well as interface of photoresistor.It adopts cheap 32.768kHz crystal as clock source whose order of accuracy will reach one over one hundred thousand.So it is suitable for automatical control circuit of street lamp.
Reprinted Url Of This Article:
http://www.seekic.com/circuit_diagram/Sensor_Circuit/Magnetic_Sensor/timing_battery_conserving_switch.html
Print this Page | Comments | Reading(3)
Code: