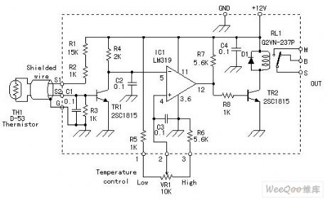
Published:2011/7/15 6:14:00 Author:Sue | Keyword: Thermal Resistor, Temperature Controller | From:SeekIC

Reprinted Url Of This Article:
http://www.seekic.com/circuit_diagram/Sensor_Circuit/NTC_Thermal_Resistor_Temperature_Controller_Circuit.html
Print this Page | Comments | Reading(3)
Code: