Published:2011/5/6 0:07:00 Author:Felicity | Keyword: Internal Circuit, | From:SeekIC

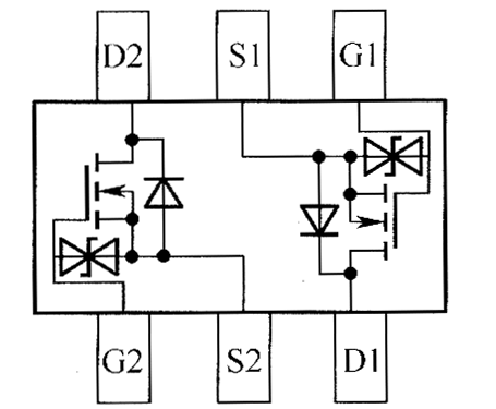
The picture above shows the DMN5010VAK Internal Circuit.
Reprinted Url Of This Article:
http://www.seekic.com/circuit_diagram/Sensor_Circuit/Other_circuit/DMN5010VAK_Internal_Circuit.html
Print this Page | Comments | Reading(3)
Code: