Published:2009/7/10 22:07:00 Author:May | From:SeekIC

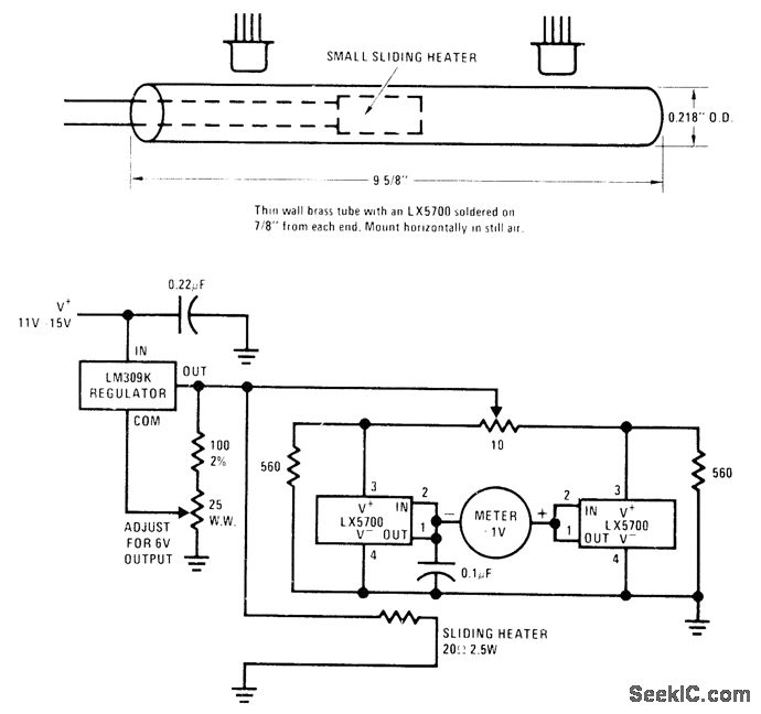
Position of small heating element sliding inside thin-wall brass tube is sensed by National LX5700 temperature transducer mounted outside of tube, With heater at center, transducers at both ends reach same temperature. With heater at one end of pipe, that transducer is about 50℃ above ambient and other is near ambient. As heater moves toward one end, one thermometer becomes more sensitive and the other less. Circuit regulates heater power to keep position gain constant. Digital voltmeter gives average position. Applications include measuring average truck spring deflection while moving on rough road.-P. Lefferts, A New Interfacing Concept; the Mono-Iithic Temperature Transducer, National Semiconductor, Santa Clara, CA, 1975, AN-132, p 9.
Reprinted Url Of This Article:
http://www.seekic.com/circuit_diagram/Sensor_Circuit/POSITION_SENSOR.html
Print this Page | Comments | Reading(3)
Code: