Published:2011/6/12 10:35:00 Author:Robert | Keyword: Blood Pressure, Sensor | From:SeekIC

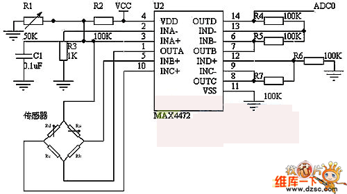
As shown in the picture, this circuit uses BP01 type pressure sensor and operational amplifier MAX4472. The BP01 type pressure sensor is specially designed for blood pressure which is mainly used in portable electronic blood pressure meter. It uses the precise thick-film ceramic chip and nylon plastic package and it features high linearity, low noise and small external stress. Also it uses internal standard and temperature compensation method to improve the measuring accuracy, stability and repeatability. In its full measuring range the accuracy is ±1%, the zero point distortion would not be more than ±300μV. The MAX4472 is a MAXIM company's low-power amplifier chip with four integrated operational amplifiers.
Reprinted Url Of This Article:
http://www.seekic.com/circuit_diagram/Sensor_Circuit/Pressure_Sensor/Blood_Pressure_Sensor_Circuit.html
Print this Page | Comments | Reading(3)
Code: