Published:2009/7/15 22:49:00 Author:Jessie | From:SeekIC

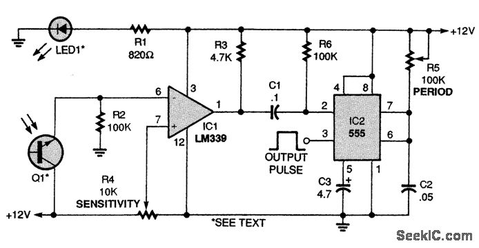
The IR sensor circuit shown produces an output when LED1's light is reflected from an object back to phototransistor Q1. The LED and phototransistor should be mounted parallel to each other and aimed in the same direction. Without a reflective object, the voltage at the input of the LM339 comparator (IC1) is at or near ground level and the output at pin 1 of IC1 is high. When the phototransistor detects a reflected light signal, the voltage at Q1's emitter goes high, causing the comparator's output to go low. The 555 timer (IC2) is then triggered, and produces a timed output pulse at pin 3. The circuit's sensitivity is set by R4 and its output time period by R5. Note that in this circuit, all of the unused input and output pins of the LM339 must be tied to circuit ground.
Reprinted Url Of This Article:
http://www.seekic.com/circuit_diagram/Sensor_Circuit/REFLECTIVE_SENSOR.html
Print this Page | Comments | Reading(3)
Code: