Published:2009/7/9 20:53:00 Author:May | From:SeekIC

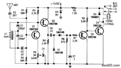
Q1 is used as an oscillator around 300 kHz. R9 is set so that the oscillator just begins to run. An object near the antenna will load the circuit down, and stop the oscillations. This is detected by bufferQ2,diodes D1 and D2, and this activates relay driver Q4, which operates the relay.
Reprinted Url Of This Article:
http://www.seekic.com/circuit_diagram/Sensor_Circuit/RELAY_OUTPUT_PROXIMITY_SENSOR.html
Print this Page | Comments | Reading(3)
Code: