Published:2009/6/25 21:04:00 Author:Jessie | From:SeekIC

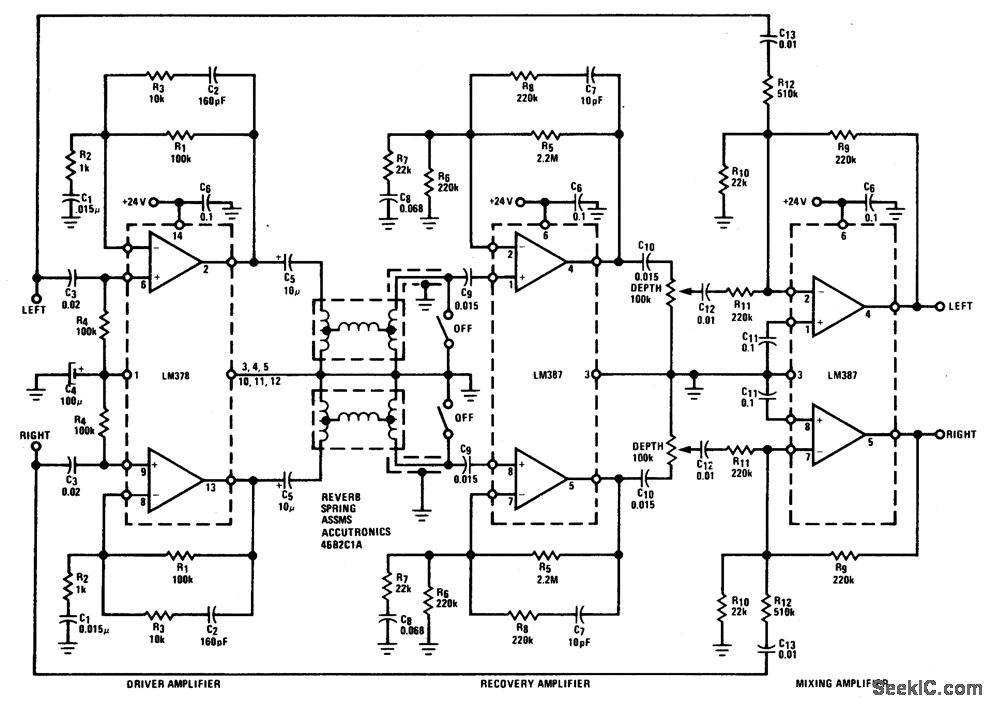
The LM378 dual power amplifier is used as the spring driver. The recovery amplifier is a low noise dual preamplifier. Mixing of the delayed signal with the original is done with another LM387 used in an inverting summing configuration.
Reprinted Url Of This Article:
http://www.seekic.com/circuit_diagram/Sensor_Circuit/STEREO_REVERB_SYSTEM.html
Print this Page | Comments | Reading(3)
Code: