Published:2009/7/8 4:48:00 Author:May | From:SeekIC

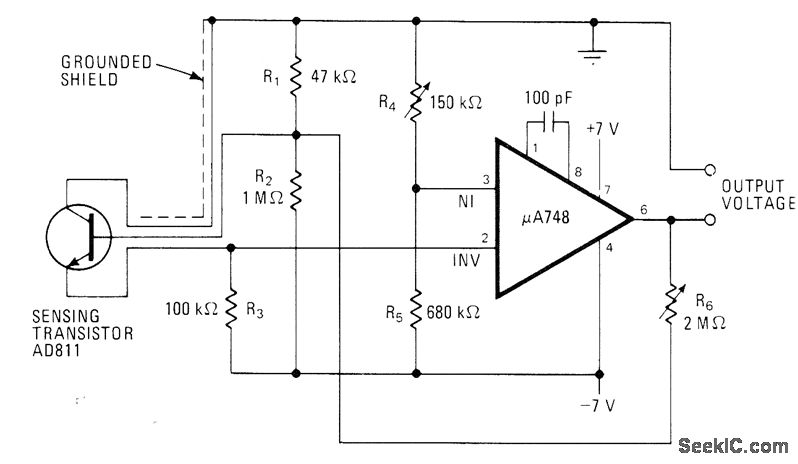
Use of bipolar supply for opamp makes electronic thermometer circuit fully linear even at low temperatures. Accuracy is within 0.05°C. Zero point is set by R4 and gain by R6—C .J .Koch,Diode or Transistor Makes Fully Linear Thermomete,Electronics,May 13,1976,p 110-112.
Reprinted Url Of This Article:
http://www.seekic.com/circuit_diagram/Sensor_Circuit/TRANSISTOR_SENSOR.html
Print this Page | Comments | Reading(3)
Code: