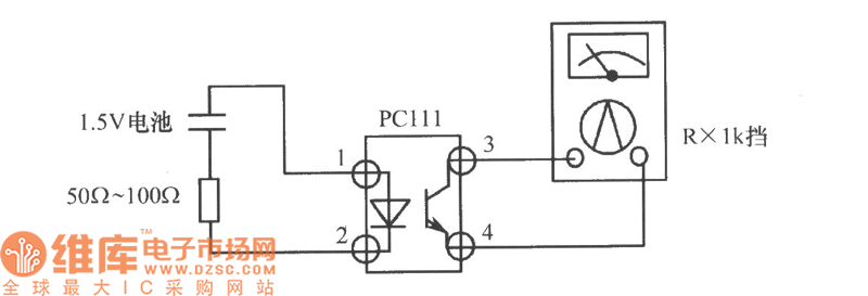
Published:2011/6/10 7:52:00 Author:qqtang | Keyword: effect judgement, photoelectric couplers | From:SeekIC

Reprinted Url Of This Article:
http://www.seekic.com/circuit_diagram/Sensor_Circuit/The_effect_judgement_circuit_of_photoelectric_couplers.html
Print this Page | Comments | Reading(3)
Code: