© 2008-2012 SeekIC.com Corp.All Rights Reserved.
Published:2011/5/9 3:38:00 Author:Sharon | Keyword: Time-setting, time-saving, switch | From:SeekIC

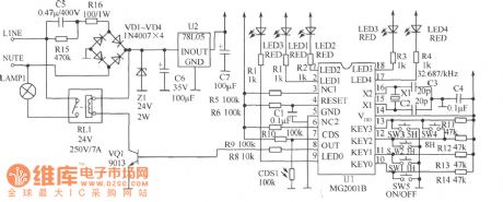
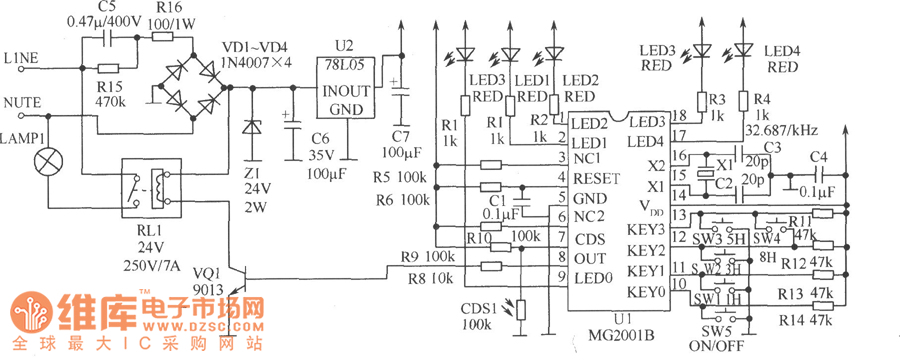
Nowadays, the door and light are mostly controlled by manual switches. Frequent forgetting to turn on or off the lights result in inconvenience and energy waste. If we can increase the light control and timing functions of them, automation and energy-saving effect can be achieved. Ready-made light control timer ICMG2001B is suggested here. It is a cheap 1h ~ 36h9 block optional timing and delay IC. The external circuit is simple with a light-driven port, photoresistors interface, low-cost 32.768kHz crystal as clock source, and the time accuracy is up to one hundred thousandth and it's very suitable for making lamps automatic control circuit. According to actual situation, choose the basic 4 block time (1h, 3h, 5h, 8h) plus one switching function to form a 5-speed light control timer circuit, and then install them into the normal 5-speed surface shell to make a 5 block light control timer switch so as to control the door lights or street lamps. Circuit is as shown in the figure.
Reprinted Url Of This Article:
http://www.seekic.com/circuit_diagram/Sensor_Circuit/Time_setting_and_time_saving_switch_circuit.html
Print this Page | Comments | Reading(3)
Response in 12 hours
© 2008-2012 SeekIC.com Corp.All Rights Reserved.
Code: