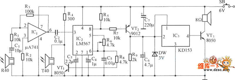
Published:2011/4/23 8:53:00 Author:Robert | Keyword: Blind Pathfinder | From:SeekIC

Blind Pathfinder Circuit is shown below:
Reprinted Url Of This Article:
http://www.seekic.com/circuit_diagram/Sensor_Circuit/Ultrasonic_Sensor/Blind_Pathfinder_Circuit.html
Print this Page | Comments | Reading(3)
Code: