Published:2009/7/24 2:07:00 Author:Jessie | From:SeekIC

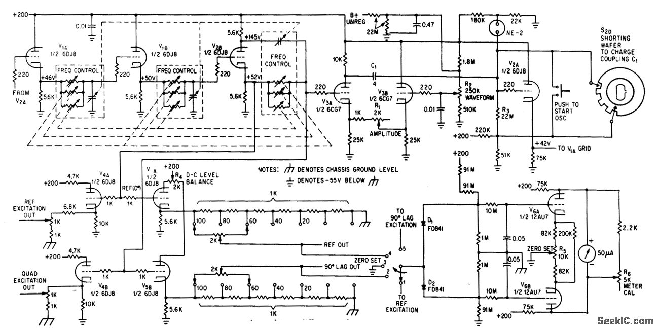
Simultaneous outputs at 90 deg phase difference have constant amplitudes over entire range. Direct coupling between stages avoids phase error.-Y. P. Yu, Two-Phase Oscillator Covers 0.1 to 1,000-CPS, Electronics, 36:40, p 27-29.
Reprinted Url Of This Article:
http://www.seekic.com/circuit_diagram/Signal_Processing/01_1000_CPS_DECADE_SWITCHING_TWO_PHASE_OSCILLATOR.html
Print this Page | Comments | Reading(3)
Code: