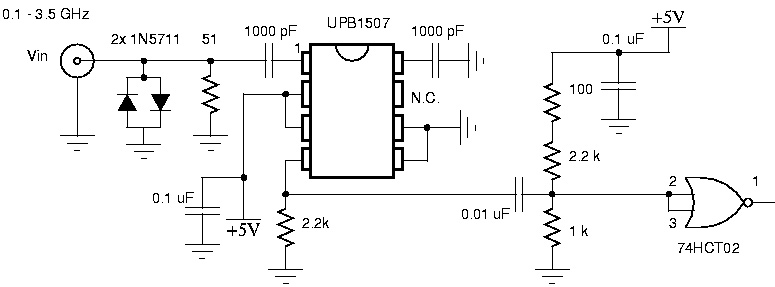
Published:2012/11/9 20:50:00 Author:muriel | Keyword: 0.1 - 3.5GHz, Prescaler | From:SeekIC

Reprinted Url Of This Article:
http://www.seekic.com/circuit_diagram/Signal_Processing/01___35GHz_Prescaler.html
Print this Page | Comments | Reading(3)
Code: