Published:2009/7/21 4:54:00 Author:Jessie | From:SeekIC

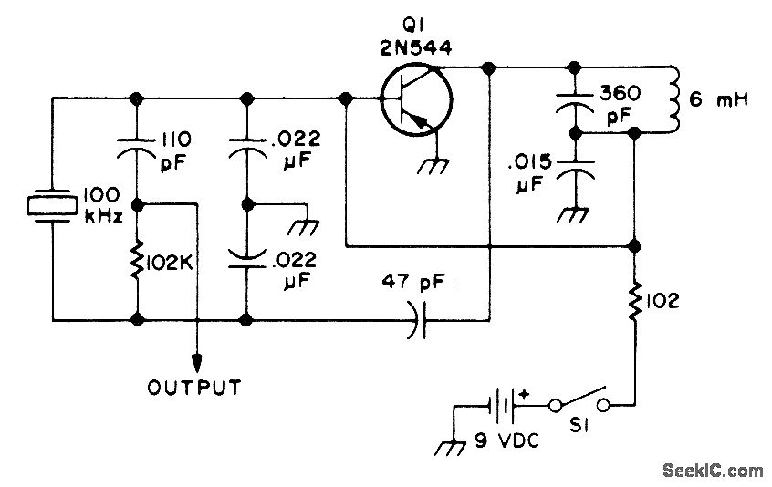
Simple crystal-controlled single-transistor oscillator can be used to calibrate amateur radio transceiver. Output should be connected to antenna input side of receiver, not to antenna terminal normally used.-Novice Q & A, 73Magazine, March 1977, p 187.
Reprinted Url Of This Article:
http://www.seekic.com/circuit_diagram/Signal_Processing/100_kHz_CAUBFIATOR.html
Print this Page | Comments | Reading(3)
Code: