Published:2009/7/20 23:21:00 Author:Jessie | From:SeekIC


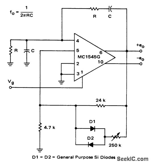
105 MHz crystal oscillator operating at the fifth overtone (courtesy Texas Instruments Incorporated).
Reprinted Url Of This Article:
http://www.seekic.com/circuit_diagram/Signal_Processing/105_MHz_crystal_oscillator_operating_at_the_fifth_overtone.html
Print this Page | Comments | Reading(3)
Code: