Published:2009/7/15 23:32:00 Author:Jessie | From:SeekIC

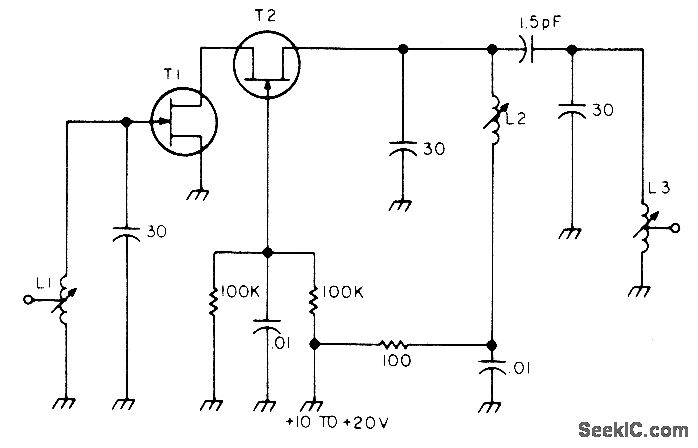
Simple preamp can also be used on 2 meters with appropriate change of coils. Needs no neutralization. Developed for use with receiver capable of receiving satellite transmissions on 29.45 to 29.55 MHz. Transistors can be MPF 102, MPF 106, or 2N4416. All coils are 1.2 μH having 7 turns No. 26 enamel on 3/16-inch slug-tuned form. L1 and L3 have tap at 3 turns. -G. L. Tater, CQ OSCAR 7, 73 Magazine, Feb. 1975, p 54-56 and 58-60.
Reprinted Url Of This Article:
http://www.seekic.com/circuit_diagram/Signal_Processing/10_METER_PBEAMP.html
Print this Page | Comments | Reading(3)
Code: