Published:2009/7/20 22:18:00 Author:Jessie | From:SeekIC

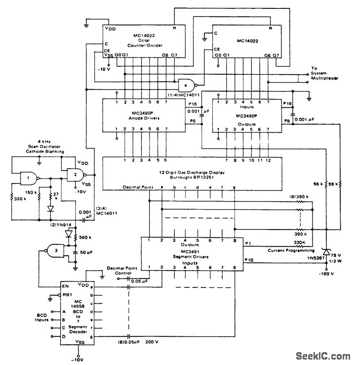
12-digit CMOS gas discharge display (courtesy Motorola Semiconductor Products Inc.).
Reprinted Url Of This Article:
http://www.seekic.com/circuit_diagram/Signal_Processing/12_digit_CMOS_gas_discharge_display_.html
Print this Page | Comments | Reading(3)
Code: