Published:2009/7/16 5:25:00 Author:Jessie | From:SeekIC

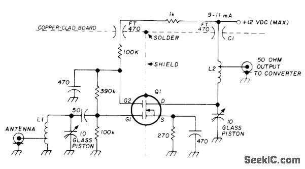
Low-noise 2-meter preamp has 18-dB gain and typical noise figure of 1.7 dB. L1 and L2 are each 31/2 turns No. 18 wound 1/2 in long on 3/8-in form and tapped 1 turn from cold end. MOSFET Q1 is MEM554C, 3N159, 3N140, or 3N141. Avoid static charges until MOSFET is connected. Developed for use with tube-type 2-meter converter.- E. Noll, Circuits and Techniques, Ham Radio, April 1976, p 40-43.
Reprinted Url Of This Article:
http://www.seekic.com/circuit_diagram/Signal_Processing/144_MHz_PREAMP_1.html
Print this Page | Comments | Reading(3)
Code: