Published:2011/4/21 6:22:00 Author:Ecco | Keyword: 1488kHz, signal generator, divider | From:SeekIC

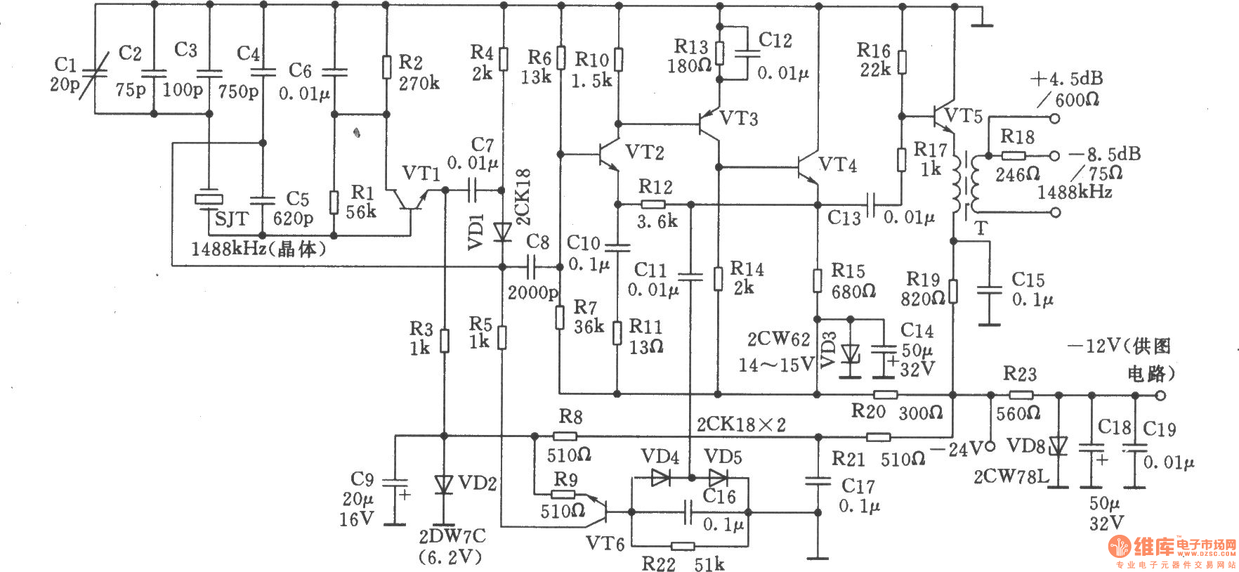
1488kHz master oscillator uses quartz crystal resonator stabilize frequency, the output is divided by the divider, then it gets three different square wave signal output in 4kHz, 12kHz, 124kHz. The circuit is shown as the chart. Transistors VTl, VT2, VT4, VT6: 3DG6C, β = 50 ~ 85, VT3: 3CG3D, β = 50 ~ 85, VT5: 3DGl308, β = 65 ~ 115. Variable devices T: using tank-shaped ferrite, model is MTT22F. Ll-2 uses Φ0.35mm high-strength wire with 36 turns. L3-4 uses Φ0.31mm high-strength wire with 21 turns. Al ~ A9: The D-type SG8228 CMOS, flip-flop, each integrated circuit has two D flip-flop components. Al0, All: 5G8058 gate integrated circuit, each circuit has two door components. Other components is shown as the figure, there is no special requirements.
Reprinted Url Of This Article:
http://www.seekic.com/circuit_diagram/Signal_Processing/1488kHz_signal_generator_and_divider.html
Print this Page | Comments | Reading(3)
Code: