Published:2009/7/21 7:03:00 Author:Jessie | From:SeekIC

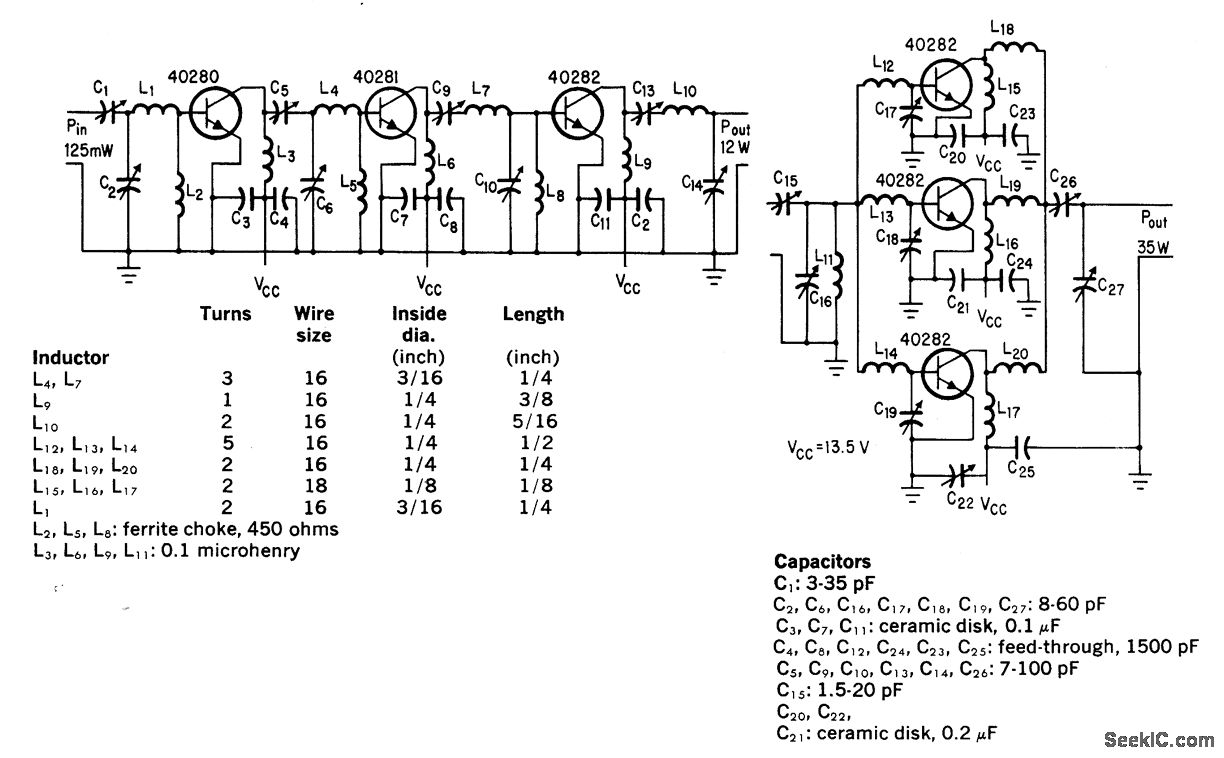
Overlay transistors operating directly from 13.5-v auto battery give 12 w from three stages and 35 w when output stage is added. Overall d-c to r-f efficiency of transmitter is about 60%.-D. J. Donahue and B. A. Jacoby, Putting the Overlay to Work at High Frequencies, Electronics, 38:17, p 78-81.
Reprinted Url Of This Article:
http://www.seekic.com/circuit_diagram/Signal_Processing/175_MC_F_M_MOBILE_AMPLIFIER.html
Print this Page | Comments | Reading(3)
Code: