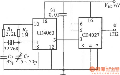
Published:2011/4/13 4:25:00 Author:Ecco | Keyword: 1Hz , Clock signal source | From:SeekIC

Reprinted Url Of This Article:
http://www.seekic.com/circuit_diagram/Signal_Processing/1Hz_Clock_signal_source_circuitCD4060-CD4027.html
Print this Page | Comments | Reading(3)
Code: