Published:2009/6/19 4:56:00 Author:May | From:SeekIC

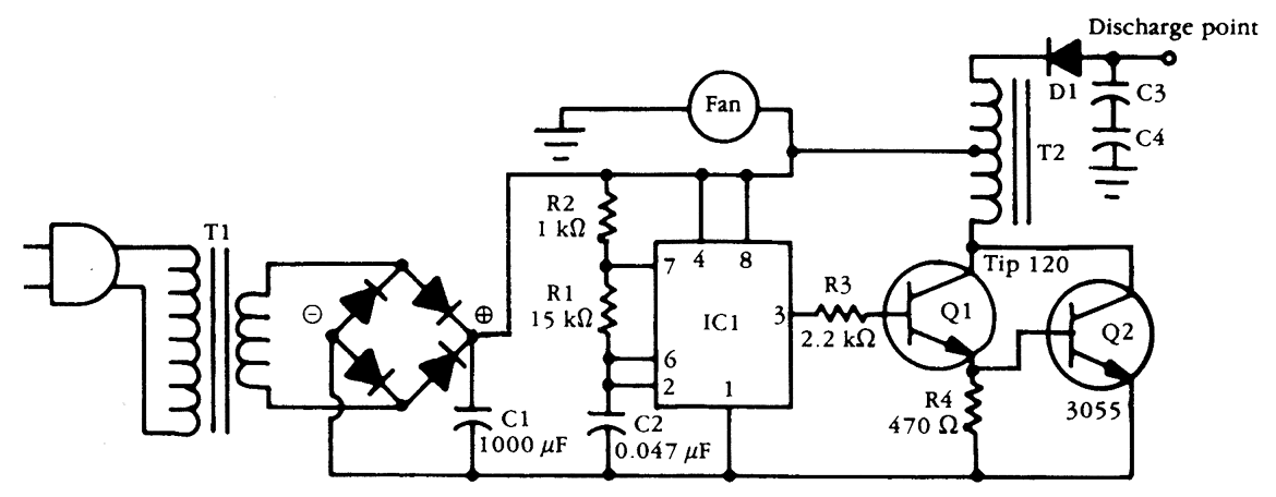
An NE555 drives a Darlington connected pair of transistors. T1 is a small high-voltage trans-former or auto ignition coil, B/W TV flyback, etc. C3, C4, and D1 must be rated for 10 to 15 kV. The fan blows air across the discharge point.
Reprinted Url Of This Article:
http://www.seekic.com/circuit_diagram/Signal_Processing/1NEGATIVE_ION_GENERATOR.html
Print this Page | Comments | Reading(3)
Code: