Published:2009/7/21 20:38:00 Author:Jessie | From:SeekIC

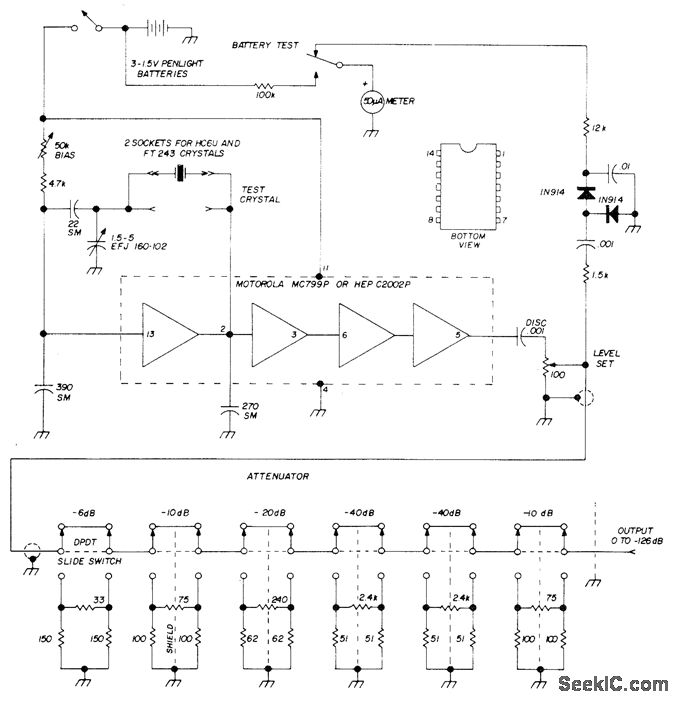
Stable crystal test oscillator takes any crystal in frequency range with no tuning adjustments. Uses single Motorola MC799P IC in circuit that provides 32-pF crystal loading. Trimmer may be used to adjust crystal for exact frequency if desired. Circuit is not critical. Bias pot compensates for battery voltage changes. Output attenuator uses standard resistor values to provide up to 126 dB of output signal control. Meter serves as battery tester and gives instant indication of crystal activity when circuit is used for testing crystals.-A A. Kelley, Crystal Test Oscillator and Signal Generator, Ham Radio, March 1913, p 46-47.
Reprinted Url Of This Article:
http://www.seekic.com/circuit_diagram/Signal_Processing/1_10_N1Hz_CRYSTAL.html
Print this Page | Comments | Reading(3)
Code: