Published:2009/7/21 20:40:00 Author:Jessie | From:SeekIC

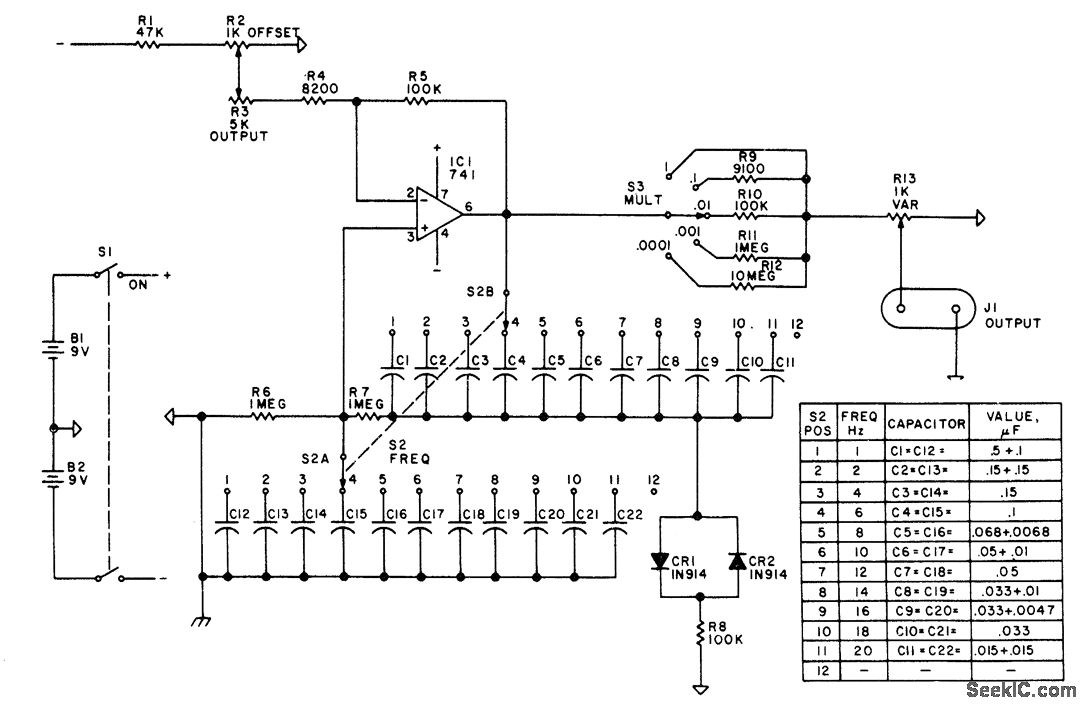
Designed to complement usual lab sine-wave generator that goes down to only 20 Hz, by providing discrete switch-selected output frequencies of 1 Hz and 2-20 Hz in 2-Hz steps. Output attenuator uses pot and switch to set output at any value within range of five decades. Circuit uses 741 opamp in Wien-bridge oscillator having four-element RC network in positive feedback path of amplifier (R6 in parallel with capacitor selected by S2A, and R7 in series with capacitor of S2B), so oscillation occurs at frequency where phase shift occurs. Article gives construction details Offset adjustment R2 may need touching up as batteries rundown.-D Hileman and L Hileman.V-V-V LF Generator,73 Magazine. Holiday issue 1976,p97-99.
Reprinted Url Of This Article:
http://www.seekic.com/circuit_diagram/Signal_Processing/1_20_Hz_SINE.html
Print this Page | Comments | Reading(3)
Code: