Published:2009/7/6 0:35:00 Author:May | From:SeekIC

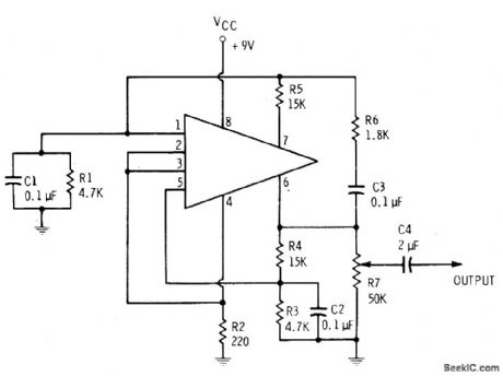
Simple feedback circuit converts HEP 580 IC to emitter-coupled MVBR producing reasonably sinusoidal output somewhere between 1 and 2 kHz. Supply is 9-V battery.-E. M. Noll, Linear IC Principles, Experiments, and Projects, Howard W. Sams, Indianapolis, IN, 1974, p 64-65.
Reprinted Url Of This Article:
http://www.seekic.com/circuit_diagram/Signal_Processing/1_2_kHz_TONE_GENERATOR.html
Print this Page | Comments | Reading(3)
Code: