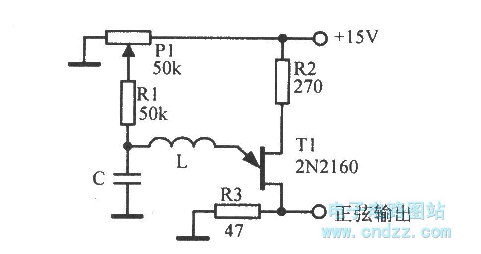
Published:2014/4/29 20:55:00 Author:lynne | Keyword: 1-50kHz sine wave oscillator circuit diagram, 2N2160 | From:SeekIC

1-50kHz sine wave oscillator circuit diagram as shown:
Reprinted Url Of This Article:
http://www.seekic.com/circuit_diagram/Signal_Processing/1_50kHz_sine_wave_oscillator_circuit_diagram.html
Print this Page | Comments | Reading(3)
Code: