Published:2009/7/21 3:20:00 Author:Jessie | From:SeekIC

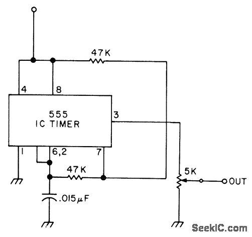
Useful for signal-tracing from audio frequencies to several mega-hertz because 1000-Hz square-wave output of 555 timer is rich in harmonics. Use 5-V supply.Developed for checking audio, IF, and BF stages of amateur receiver operating on 160- to 40-m bands.-J. J. Carr, How to Become a Trouble-shooting Wizard, 73 Magazine, Jan, 1976, p 138-143.
Reprinted Url Of This Article:
http://www.seekic.com/circuit_diagram/Signal_Processing/1_kHz_SQUARE_WAVE.html
Print this Page | Comments | Reading(3)
Code: