Published:2011/4/20 5:19:00 Author:Ecco | Keyword: 1kHz, signal generator | From:SeekIC

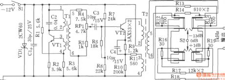
This circuit can generate lkHz signalwith 3 kinds of output level. It can be used for testing and repairing communications equipment,
and finding the failure point of TV sets, stereos, radios and other low-frequency amplifier circuit quickly and accurately. Therefore, it is ideal signal source for electronic equipment. Selection components: Resistor uses RJ-0.125, capacitor uses CBM, electrolytic capacitor uses CDX, switch Sl: KNX (2 × 1), S2: JT360 (small pull key). Transformers Tl, T2: using MTT25 ferrite pot, the L1-2 of T1 uses Φ0.09mm high-strength wire with 1540 turns, L3-4 uses 0.09mm high strength wire with 150 turns, L5-6 uses Φ0.09mm high strength wire with 330 turns; the L1-2 of T2 uses Φ0.09mm high-strength wire with 1528 turns, L3-4 uses Φ0.09mm high-strength wire with 162 turns, L5-6 uses 0.09mm high strength with wins wire with 540 turns.
Reprinted Url Of This Article:
http://www.seekic.com/circuit_diagram/Signal_Processing/1kHz_signal_generator.html
Print this Page | Comments | Reading(3)
Code: