Published:2009/7/5 23:34:00 Author:May | From:SeekIC

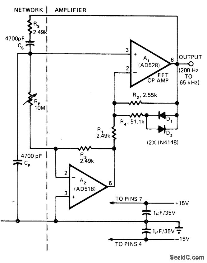
Adding single opamp to Wien-bridge oscillator gives wide-range oscillatorhaving single-control tuning. R4, D1, and D2 together stabilize output amplitude by providing controlled nonlinearity that reduces gain at high signal Ievels. AD528 opamp A1 is FET-input complement to AD518 A2 and has bandwidth required for wide output frequency range.RP sweeps output from 200 Hz to 65 kHz. Since oscillation frequency is inversely proportional to square root of RP, frequency changes rapidly near Iow-resistance end of pot. Use of pot with audio or Iog taper makes tuning more Iinear.-P. Brokaw, FET Op Amp Adds New Twist to an Old Circuit. EDN Magazine. June 5. 1974. p 75-77.
Reprinted Url Of This Article:
http://www.seekic.com/circuit_diagram/Signal_Processing/200_65000_Hz_WlEN.html
Print this Page | Comments | Reading(3)
Code: