Published:2009/7/24 2:20:00 Author:Jessie | From:SeekIC

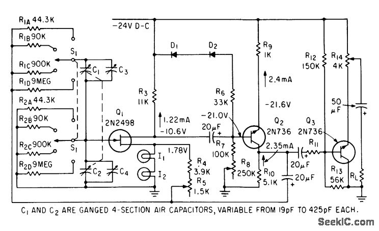
Range is covered in four steps. Two-stage oscillator is followed by buffer that delivers 3.5 v to 2,000-ohm load.-V. Glover, Using a New Device: Field-Effect Transistor Oscillators, Electronics, 35:51, p 44-46.
Reprinted Url Of This Article:
http://www.seekic.com/circuit_diagram/Signal_Processing/20_CPS_TO_40_KC_WITH_WIEN_BRIDGE.html
Print this Page | Comments | Reading(3)
Code: