Published:2009/7/21 22:30:00 Author:Jessie | From:SeekIC

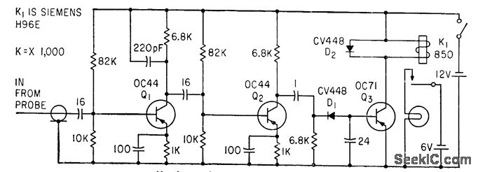
Used lo identify wire in middle of long cable, carrying 20-kc mvbr signal. Pickup probe for amplifier has 600 turns wound on U-shaped trans former steel. Relay doses and energizes lamp when probe is held near correct wire.-J. S. Rushton, Probe Identifies Catble Wiring, Electronics, 34:9, p 51.
Reprinted Url Of This Article:
http://www.seekic.com/circuit_diagram/Signal_Processing/20_KC_WIRETRACING_PROBE.html
Print this Page | Comments | Reading(3)
Code: