Published:2011/7/22 1:58:00 Author:Joyce | Keyword: 2100Hz, Signal, Generator Circuit | From:SeekIC

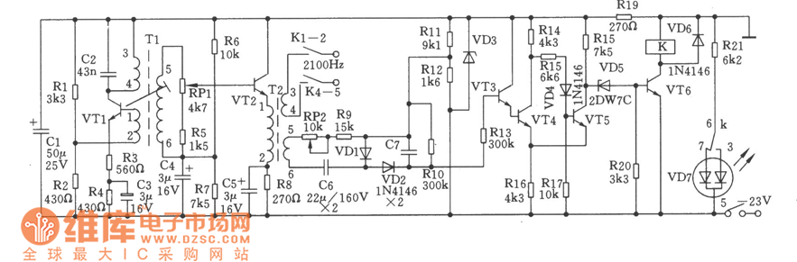
The circuit is as shown in the figure. The 2100 Hz signal generator is composed of oscillation, buffer amplifier and alarm circuit. VT1 and related components constitute the collector tuned oscillator. R1, R2 are bias resistances of VT1 .R3, R4 are emitter resistances which are used to stabilize dc working point. At the same time, R3 also provides negative feedback to improve the performance of the oscillator. C3 is the bypass capacitor of R4, which will reduce the wastage of signals. Coil L3-4 of transformerT1 and capacitance C2 constitute the 2100 Hz oscillation tank circuit. The positive feedback voltage is obtained from coil L1-2.
Reprinted Url Of This Article:
http://www.seekic.com/circuit_diagram/Signal_Processing/2100Hz_Signal_Generator_Circuit.html
Print this Page | Comments | Reading(3)
Code: