Published:2011/4/22 2:13:00 Author:Ecco | Keyword: 2100Hz, signal generator | From:SeekIC

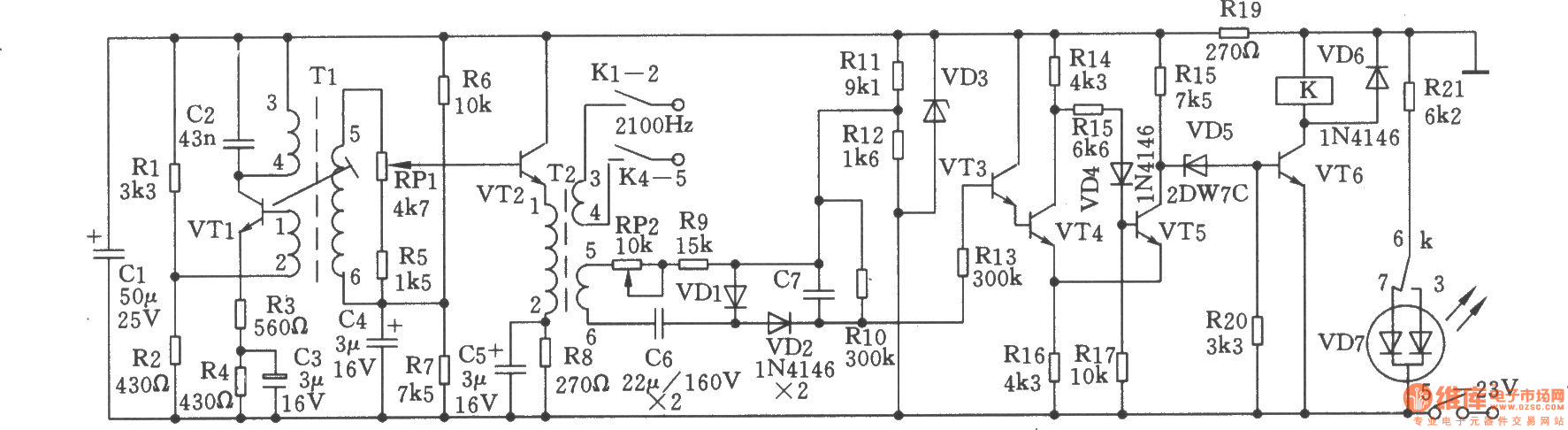
When 2100Hz output level is lower than normal level 3.5dB, the both ends voltage of C7 is about 3.4V and couldn't reach the trigger value, so VT4 stopd, VT5 is conducted. Thus VD5 and VT6 close, relay K loses electricity and releases, contacts K1-2, K8-9 are off, K8-9 is closed. No 2100Hz signal outputs, light-emitting diode VD7 displays a red warning signal. Potentiometer could adjust the action level value of relay K RP2. Component selection: VTl, VT3, VT4, VT5: 3DG6C, β = 50 ~ 115, VT2, VT6: 3DGl28, β = 85 ~ 115. Double color LED VD7: BT a 605 (red, green and white). Relay K: PR401-1250Ω. Oscillation transformer Tl: L1-2 is Φ0.11mm high-strength wire with 37 turns, L3-4 is 0.11mm with 713 turns, L5-6 is 0.1lmm high-strength wire with 358 turns. It uses tank-type ferrite with model in MTT22. Output transformer T2: L1-2 is Φ0.11mm high-strength wire with 141 turns, L3-4 is Φ0.12mm with 43 turns, L5-6 is Φ0.12mm with 177 turns. It uses tank-type ferrite with model in MTT22. The resistor selects the 1/4W 1/8W metal film resistor.
Reprinted Url Of This Article:
http://www.seekic.com/circuit_diagram/Signal_Processing/2100Hz_signal_generator.html
Print this Page | Comments | Reading(3)
Code: