Published:2009/7/20 23:05:00 Author:Jessie | From:SeekIC

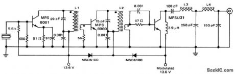
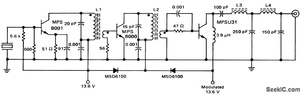
27 MHz transmitter for CB operation. Power output is 3.5 watts minimum. Typical efficiency is 70%. Modulation can be±100%. Second harmonic suppression istypically 38 dB down, while third harmonicsuppression is 55 dB down. All coilsare on 1/4-inch forms with AWG #22 wire. Slugs are 1/4 by 3/8-inch J-types. Secondary windings are overwound on the bottom of the primary. L1 primary is 12 turns close wound, while the secondary is 2 turns. L2 primary is 18 turns close wound, while its secondary is 2 turns. L3 is 7 turns dose wound. L4 is 5 turns close wound (courtesy Motorola Semiconductor Products Inc.).
Reprinted Url Of This Article:
http://www.seekic.com/circuit_diagram/Signal_Processing/27_MHz_transmitter_for_CB_operation.html
Print this Page | Comments | Reading(3)
Code: