Published:2009/7/21 2:06:00 Author:Jessie | From:SeekIC

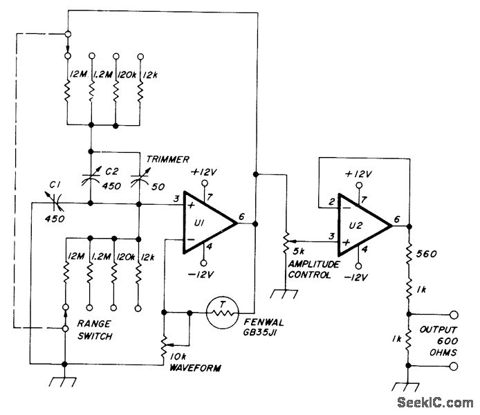
Wien-bridge sine-wave oscillator using two RCA CA3140 opamps covers frequency range with less than 0.5% total harmonic distortion. Adjust 10K pot for best output waveform. Maximum output into 600-ohm load is about 1 VRMS. Opamps are direct replacements for 741 but have higher input impedance and better slew rate.-C. Hall, New Op Amp Challenges the 741, Ham Radio, Jan. 1978, p 76-78.
Reprinted Url Of This Article:
http://www.seekic.com/circuit_diagram/Signal_Processing/30_Hz_TO_100_kHz.html
Print this Page | Comments | Reading(3)
Code: