Published:2009/7/16 5:28:00 Author:Jessie | From:SeekIC

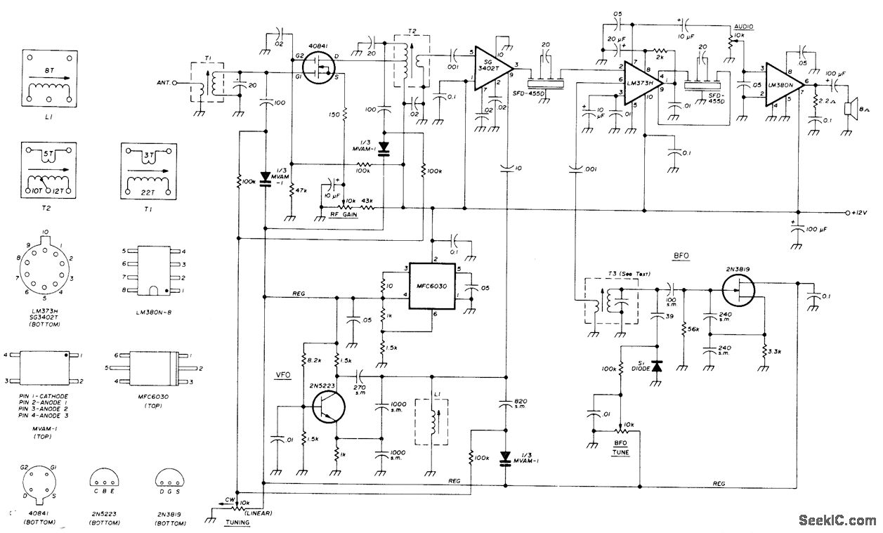
Miniaturized communication receiver was developed for use as tunable IF fed by external converter for all-band coverage up to 30 MHz, Motorola MVAM-1 triple tuning diode serves in place of customary three-gang tuning capacitor. Two Murata SFD-455D ceramic filters provide IF selectivity. MFC6030 voltage regulator provides around 7 VDC with regulation required for diode tuning. Regulator also supplies VFO and BFO. Standard 3/8-in diameter 455-kHz transistor IF transformers were stripped and used for coil forms. T3 is 455-kHz IF with secondary changed to 1 turn. Remove pins 4, 6, and 8 from Silicon General SG3402T mixer.-R. Megirian, Design Ideas for Miniature Communications Receivers, Ham Radio, April 1976, p 18-25.
Reprinted Url Of This Article:
http://www.seekic.com/circuit_diagram/Signal_Processing/35_4_MHz_WITH_TUNING_DIODES.html
Print this Page | Comments | Reading(3)
Code: