Published:2009/7/16 1:51:00 Author:Jessie | From:SeekIC

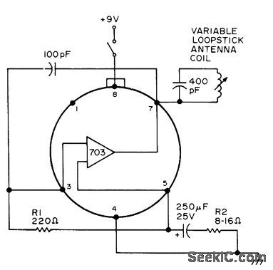
Simple basic oscillator produces signal that can be mixed with signals in all-band radio to give beat frequency for CW or SSB reception. By itself, circuit can be used as low-power (QRP) phone or CW transmitter or as signal source for other purposes.-R. L. Price, 99¢ IC BFO, 73 Magazine, Jan. 1976, p 201.
Reprinted Url Of This Article:
http://www.seekic.com/circuit_diagram/Signal_Processing/455_kHz_BFO.html
Print this Page | Comments | Reading(3)
Code: