Published:2009/7/21 1:37:00 Author:Jessie | From:SeekIC

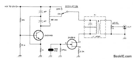
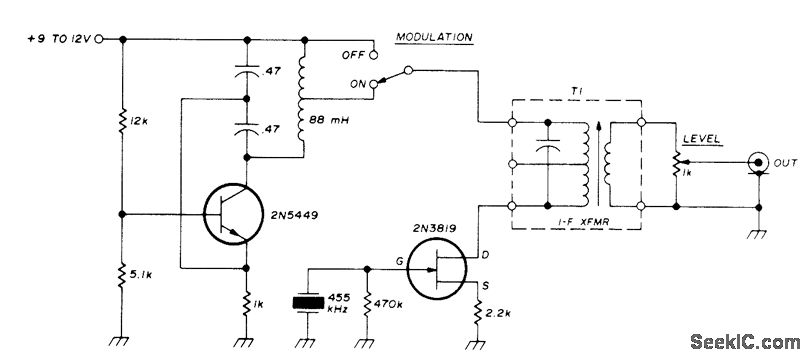
Simple crystal-controlled signal generator serves for aHgning IF strips. Amplitude modulator uses Colpitts 1-kHz oscillator circuit, with surplus 88-mH toroid in tank circuit; tie two adjacent leads together to provide center tap. T1 is 455-kHz IF transformer from AM transistor radio, used to tune drain circuit and obtain low output impedance. Current drain is about 7 mA with 12-V supply and 5 mA with 9-V battery.-C. Hall, 455-kHz 1-F Alignment Signal Generator, Ham Radio, Feb. 1974, p 50-52.
Reprinted Url Of This Article:
http://www.seekic.com/circuit_diagram/Signal_Processing/455_kHz_FOR_IF_ALIGNMENT.html
Print this Page | Comments | Reading(3)
Code: