Published:2011/6/5 4:23:00 Author:John | Keyword: 45 nary counter | From:SeekIC

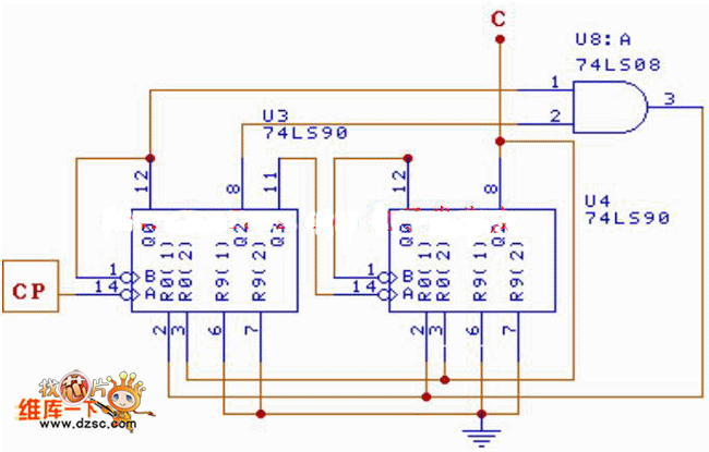
45 nary counter circuit is shown below.
Reprinted Url Of This Article:
http://www.seekic.com/circuit_diagram/Signal_Processing/45_nary_counter_circuit.html
Print this Page | Comments | Reading(3)
Code: