Published:2011/6/13 7:44:00 Author:Christina | Keyword: 465kHz, intermediate frequency, signal, generator | From:SeekIC

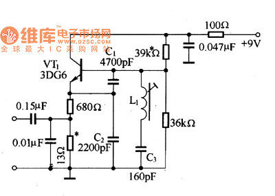
The three-point capacitance oscillator circuit is as shown in the figure, it can produce the 465kHz intermediate frequency signal. In the figure, the resonance loop is composed of the C1, C2, C3 and L1, because the capacity of C1, C2 is larger than the capacity C3, so the oscillation frequency is decided by the C3 and L1
Figure The 465kHz intermediate frequency signal generator circuit
Reprinted Url Of This Article:
http://www.seekic.com/circuit_diagram/Signal_Processing/465kHz_intermediate_frequency_signal_generator_circuit.html
Print this Page | Comments | Reading(3)
Code: