Published:2013/7/22 19:58:00 Author:muriel | Keyword: 4W, FM, Transmitter | From:SeekIC

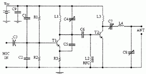
TECHNICAL CHARACTERISTICS:Stabilised tendency of catering: Vcc=12~16VFrequency of emission: 88~108MHzConsumption: 100~400mA
Materially:[color=green]The resistors are 1/4W.[/color]R1, R2 10KOhmR3 47OhmC1, C2 1nFC3 4,7uF/16VC4, C7, C8 0~45pF trimmerC5, C6 10pFC9 100nFL1 4 turns, 7mm diameter *L3 3 turns, 7mm diameter *L4 5 turns, 7mm diameter *L2 RFC (resistance 1MOhm with wrapped around her inductor of enough coils from fine isolated wire. Scratch of utmost inductor and you stick in utmost the resistance making thus a parallel L-r circuit.)T1, T2 2N2219ANT Simple dipole l/2.MIC IN Microphone dynamic or other type. (It can also connected to a cassette player unit)[color=green]* The inductors is air from wire of coaxial 75W or other 1mm roughly.[/color]
PCB:Before you print it out with microsoft paints, set the screen resolution to 1280 by 1024 in order to get the correct scale
Reprinted Url Of This Article:
http://www.seekic.com/circuit_diagram/Signal_Processing/4W_FM_Transmitter.html
Print this Page | Comments | Reading(3)
Code: