Published:2012/12/5 0:11:00 Author:muriel | Keyword: 4/8-channel, V4.2 , radio transmitter | From:SeekIC

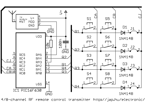
The difference between the 4-channel and the 8-channel version is only the software inside. The 8-channel transmitter has one button (S1-S8) per channel. The 4-channel transmitter uses S1-S4 buttons to turn on, S5-S8 buttons to turn off channel 1-4 (use with latched outputs on the receiver). The D1-D4 diodes and J1-J4 jumpers are optional, and are used to setup the transmitter address. Higher supply voltage resultshighertransmit power, but V+ range is 2-5.5VDC for the PIC MCU. When V+ is higher than 5VDC, use separate power for the mcu.
Reprinted Url Of This Article:
http://www.seekic.com/circuit_diagram/Signal_Processing/4_8_channel_V42_radio_transmitter.html
Print this Page | Comments | Reading(3)
Code: