Published:2009/7/1 20:27:00 Author:May | From:SeekIC

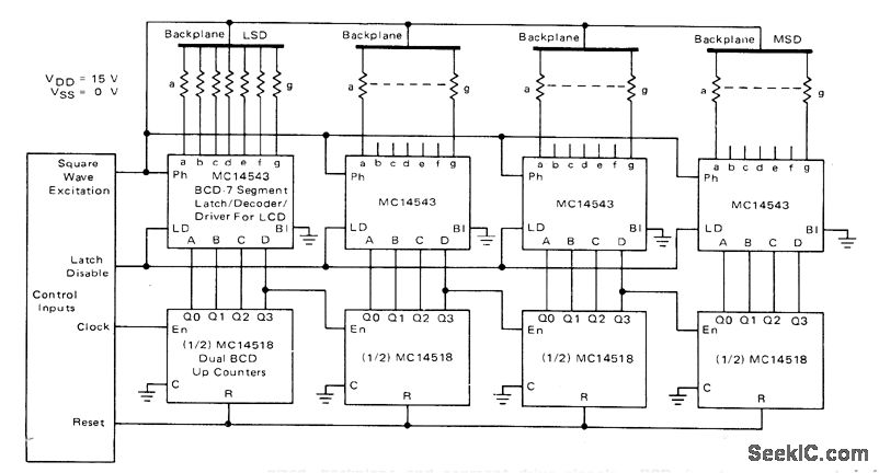
Each digit of liquid crystal display has sepalate counter,latch,decoder,and driver,Excitation signal also feeds LCD backplane When segmentis to be deenergized, backplane and segment drive signals have same phase and magnitude so there is no voltage across display. When segment is to be energized, signals are 180°out of phase so square-wave voltage is twice IC supply value.BCD inputs are generated from cascaded MC14518 dual BCD up counters.-A. Pshaenich, Interface Considerations for Numeric Display Systems, Motorola, Phoenix, AZ, 1975, AN-741,p 5.
Reprinted Url Of This Article:
http://www.seekic.com/circuit_diagram/Signal_Processing/4_digit_direct_drive_LCD.html
Print this Page | Comments | Reading(3)
Code: