Published:2011/4/21 5:06:00 Author:Ecco | Keyword: 4kHz , harmonic , generator | From:SeekIC

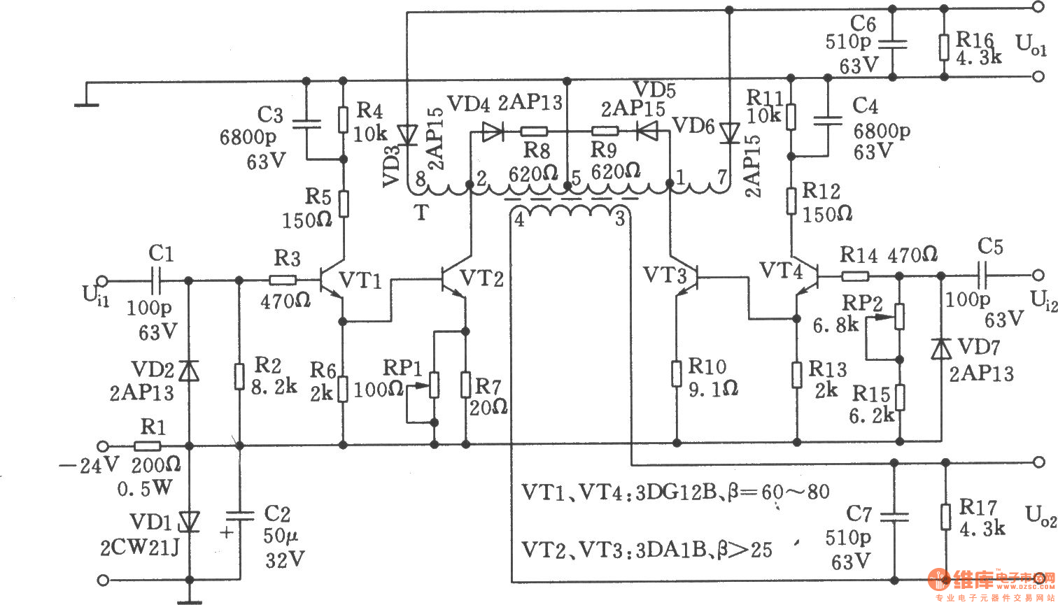
Harmonic generator is the differential type, which consists of a symmetrical differential amplifier circuit to impulse the difference in half-cycle rectangularly, and it is coupled push-pull by output transformer, the harmonic circuit is simple, convenience for measurement, low-cost, and it retains its symmetric pulse characteristics, its performance is similar with magnetic saturation type. The chart shows 4kHz harmonic generator circuit. Its frequency is controlled by the master oscillator, odd and even harmonics can be used as carrier and pilot of presetting, accessing, group roads modulation and demodulation for communication machine.
Reprinted Url Of This Article:
http://www.seekic.com/circuit_diagram/Signal_Processing/4kHz_harmonic_generator.html
Print this Page | Comments | Reading(3)
Code: