Published:2011/4/20 3:06:00 Author:Ecco | Keyword: 500Hz , signal generator | From:SeekIC

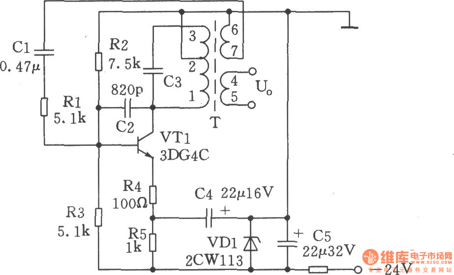
1. Specifications (1) operating frequency: 500Hz ± 10Hz; (2) Output Level: 0 ± 2.6dB (3) Output impedance: ≤ l0Ω. 2. Working principle of the circuit is shown as the circuit. 500Hz oscillator consists of VTl, T, VDl and resistors, capacitors and other components. Oscillation frequency is decided by the parallel resonant frequency of C3, L1-3, the resistor Rl is used to increase the input impedance of transistor VTl and reduce the impact of the oscillation tank. R2, R3 are DC bias resistors. R4, R5 are the emitter resistors of VTl, R4 has a current negative feedback. In order to adapt the changes of supply voltage (± 10%), it makes voltage stabilization on the both ends VT1. Under normal circumstances, L4-5 output level 0dB is ± 2.6dB/600Ω, oscillation frequency is 500Hz signal. In order to facilitate detection, the DC operating point is as follows: 'VTl the Vce = l2V ± 1V.
Reprinted Url Of This Article:
http://www.seekic.com/circuit_diagram/Signal_Processing/500Hz_signal_generator.html
Print this Page | Comments | Reading(3)
Code: