Published:2009/7/15 2:56:00 Author:Jessie | From:SeekIC

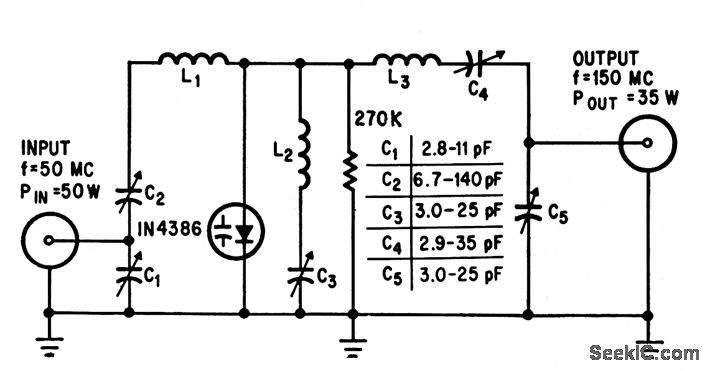
Charge-storage 1N4386 varactor triples frequency with power efficiency of 70% for input of 50 watts.-G. Schaffner, Charge Storage Vcractors Boost Harmonic Power, Electronics, 37:20, p 42-47.
Reprinted Url Of This Article:
http://www.seekic.com/circuit_diagram/Signal_Processing/50_150_MC_TRIPLER.html
Print this Page | Comments | Reading(3)
Code: