Published:2009/7/15 3:02:00 Author:Jessie | From:SeekIC

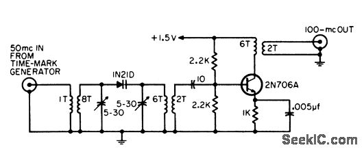
Used to extend usefulness of conventional time marker generator.-R. M. Zilberstein, Frequency Doublet and Amplifier, EEE, 12:12, p 57.
Reprinted Url Of This Article:
http://www.seekic.com/circuit_diagram/Signal_Processing/50_MC_TO_100_MC_VARACTOR_DOUBLER.html
Print this Page | Comments | Reading(3)
Code: