Published:2009/7/21 5:33:00 Author:Jessie | From:SeekIC

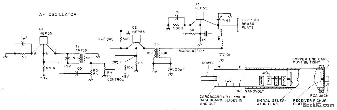
Positioning of miniaturized signal generator in 4 1/2 x 2 1/8 x 24 inch waveguide provides stable variable-strength signal that can be dropped gradually down to zero as generator is moved away from receiver pickup plate. Slide can be calibrated for measuring sensitivity of 6-meter receiver in tenths of a microvolt. Circuit consists of 50-MHz crystal oscillator, AF oscillator and simple class A modulator.-B, Hoisington, Low-Cost Infinite Attenuator for Amateur Use, 73 Magazine,Sept 1974,p107-108.
Reprinted Url Of This Article:
http://www.seekic.com/circuit_diagram/Signal_Processing/50_MHz_WITH_ATTEN_UATOR.html
Print this Page | Comments | Reading(3)
Code: