Published:2009/7/15 23:27:00 Author:Jessie | From:SeekIC

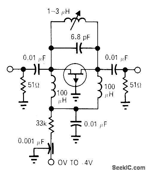
Low-cost FET in pi network serves as resistive attenuator providing up to 50-dB attenuation of 30-MHz level-controlled signal source by varying DC control voltage over range of 0 to 4 V. Tank circuit across source-drain leads of FET keeps phase shift under 2° over entire attenuation range. FET type is not critical -E. E. Baldwin, Voltage-Controlled Attenuator Has Minimum Phase Shift, EDN|EEE Magazine, Nov. 15, 1971, p 40.
Reprinted Url Of This Article:
http://www.seekic.com/circuit_diagram/Signal_Processing/50_dB_ATTENUATION_CONTROL.html
Print this Page | Comments | Reading(3)
Code: